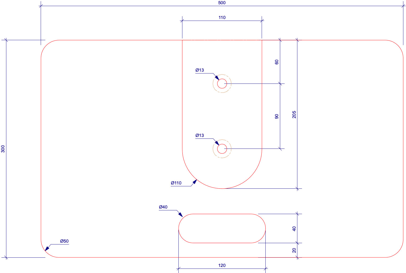
NOVELTY - Embases 50×30 N
Embase réduite pour tube Ø35 ou Ø50 (équipée de "cheminé") et monotube EX50/FX50 (équipée de manchon), centrée ou décentrée
Propriétés techniques
- Dimensions unitaires : 500 x 300 x 20 mm
- Poids unitaire : 25 kg