Vous recherchez une agence Novelty près de chez vous ?

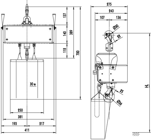
VERLINDE - SM5-20M-4M

Palan électrique SM5 500kg, 20m, 4m/mn
Informations
  • Référence : SM5
  • Codart : SM5-20M-4M
Propriétés techniques
  • Dimensions unitaires : 45 x 42,5 x 37 cm
  • Poids unitaire : 39 kg
  • Dimensions en flight-case (X2) : 75 x 48,5 x 62 cm
  • Poids en flight-case (X2) : 116 kg

Documents à télécharger

Nous contacter

Vous avez un projet ou une question ?

Nos équipes sont prêtes à répondre à vos besoins et à concrétiser vos projets. Contactez votre agence locale ou laissez-nous un message, nous serons ravis de vous accompagner.

Contactez-nous